High Pressure Ejectors: Design and Variations

Please see the following table for the air throughput volumes for the varying ejector sizes.


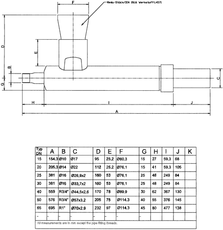
The above picture shows the seperate ejector parts. Parts that are subject to wear such as the diffuser and nozzle can be separately exchanged, therefore reducing the operational costs considerably.